| № |
Обозначение |
Наименование |
Колич. шт |
| 1 |
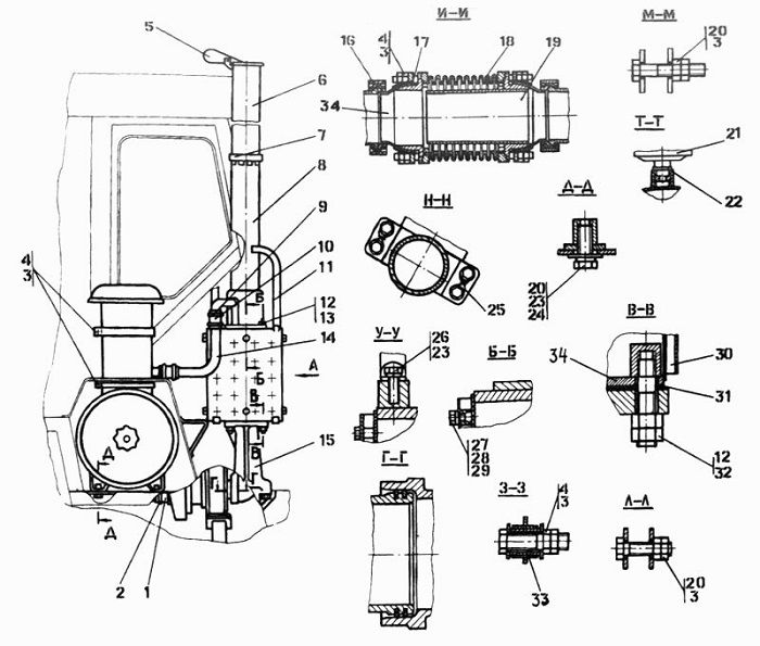
700-46-2097 |
Рукав |
4 |
| 2 |
46-47-189-03-10-СП |
Хомут |
8 |
| 3 |
300220 |
Гайка М12х1,25-6Н.04.019 ГОСТ 15522-70 |
56 |
| 4 |
Болт М12х1,25-6gх55.88.35.019 ГОСТ 7795- |
Болт М12х1,25-6gх55.88.35.019 ГОСТ 7795-70 |
22 |
| 5 |
46-05-281-10-СП |
Крышка |
2 |
| 6 |
46-05-275-10-СП |
Труба |
2 |
| 7 |
46-05-276-10-СП |
Хомут |
2 |
| 8 |
46-05-277-10-СП |
Труба выпускная |
2 |
| 9 |
46-60-366-10-СП |
Хомут |
8 |
| 10 |
700-46-2101 |
Рукав |
4 |
| 11 |
46-05-759 |
Поручень |
2 |
| 12 |
Гайка М16х1,5-6Н.6.089 ГОСТ 5915-70 |
Гайка М16х1,5-6Н.6.089 ГОСТ 5915-70 |
32 |
| 13 |
290560 |
Шпилька М16 2-3п/1,5-6gх55.66.013 ГОСТ 22034-76 |
8 |
| 14 |
46-05-720 |
Труба |
2 |
| 15 |
46-05-722 |
Кронштейн |
2 |
| 16 |
46-05-307-20-СП |
Хомут |
4 |
| 17 |
46-05-304 |
Фланец |
2 |
| 18 |
46-05-282-20-СП |
Сильфон |
2 |
| 19 |
46-05-227-20-СП |
Труба |
2 |
| 20 |
Болт М12х1,25-6gх40.40. 88. 35.019 ГОСТ |
Болт М12х1,25-6gх40.40. 88. 35.019 ГОСТ 7796-70 |
14 |
| 22 |
Кольцо 14х20 |
Кольцо 14х20 |
2 |
| 23 |
Шайба 12.0Т.65Г.0221 ГОСТ 6402-70 |
Шайба 12.0Т.65Г.0221 ГОСТ 6402-70 |
16 |
| 24 |
310230 |
Шайба 12.01.10.019 ГОСТ 6958-78 |
8 |
| 25 |
Проволока КС 1,6 ГОСТ 792-67 |
Проволока КС 1,6 |
| 26 |
280320 |
Болт М12х1,25-6gх20 ГОСТ 7795-70 |
4 |
| 27 |
Болт М8-6gх20.58.019 ГОСТ 7796-70 |
Болт М8-6gх20.58.019 ГОСТ 7796-70 |
16 |
| 28 |
Шайба 8Т.65Г.019 ГОСТ 6402-70 |
Шайба 8Т.65Г.019 ГОСТ 6402-70 |
12 |
| 29 |
310140 |
Шайба 8.01.10.019 ГОСТ 6958-78 |
6 |
| 30 |
46-05-776 |
Обечайка |
4 |
| 31 |
46-05-721 |
Прокладка |
2 |
| 32 |
290570 |
Шпилька М16х(2-3п)/(1,5-6g)х65.66.013 ГОСТ 22034-70 |
8 |
| 33 |
46-05-466 |
Втулка |
2 |
| 34 |
46-05-393-20-СП |
Сфера |
4 |